There are many debates regarding the who invented the microscope, but what is for sure is the fact that it opened us to a world unknown and yet so vibrant that it can render most people awestruck.
Below are 12 pictures of various organs, processes, and enzymes pertaining to the human body that were captured using a microscope.
#1. Nail
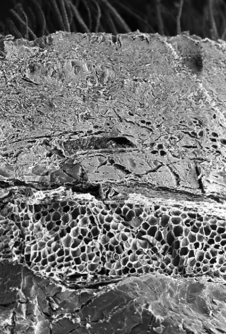
#2. Tooth
#3. Strand Of Hair
#4. Ovulation
#5. Blood
#6. Cancerous Lung
#7. Healthy Lung
#8. Eyes (Retina)
#9. Skin
#10. Heart (Coronary Artery)
#11. Small Intestine
#12. Bone
#13. Tongue
Recommended Video – “Everyone Should Know These 6 Sleeping Positions For Every Health Problem”














